Subbu68
Well-Known Member
Early 1979, I used to go to a nearby bookshop to drool over a book on radios from Ladybird. Then in 1980 or so, my dad gave me a book written in Malayalam on radios that he used to build his first radio. It just said crystal radio, 1 transistor radio, 2 transistor radio and so on and in the Malayalam book it ended with a 6 transistor radio if I remember correct. Had no courage to ask him to get me the Ladybird book or components in the Malayalam book due to the situation at home then. Though the components were there at home in his build did not disturb it. Not brave enough
Then Jetking Jewel and a later a 2 band Skylab kits were given to me and started the journey in electronics hobby. Never did I know until now that the Ladybird book and that Malayalam book were explaining TRF radios to start with.
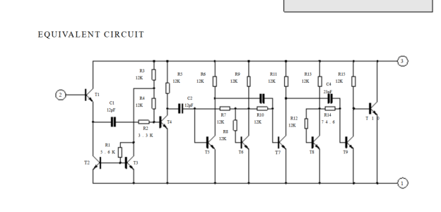
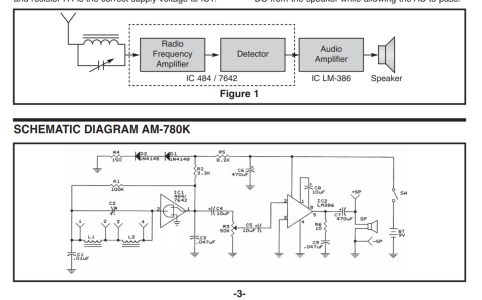
Now back to the hobby, got a TRF kit from Elenco. AM-780. It is based on a IC 7642/ 484 with a RF amp and detector in it. The data sheet shows an equivalent circuit with 10 transistors!!

The kit is easy to assemble - just took just about 2 hrs to complete.

Though there are no Oscillator coils / trimmers and the instruction does not tell to do so, a little alignment of the antenna coil is required to get the dial read close to another calibrated radio. Lots of overload from some local stations. But fun to hear it pull distant stations with the locals in the background. Some stations (may be Iran) are very clear indeed. Could pull in AIR Rajkot here in Abu Dhabi.
I did put out of my window a length of wire and connected it to the input of the IC and it made the reception even more strong. An earth connection to window frame made the bleed in stations a bit more quiet.
Maybe there is some way to make it more selective?
Then Jetking Jewel and a later a 2 band Skylab kits were given to me and started the journey in electronics hobby. Never did I know until now that the Ladybird book and that Malayalam book were explaining TRF radios to start with.
Now back to the hobby, got a TRF kit from Elenco. AM-780. It is based on a IC 7642/ 484 with a RF amp and detector in it. The data sheet shows an equivalent circuit with 10 transistors!!

The kit is easy to assemble - just took just about 2 hrs to complete.

Though there are no Oscillator coils / trimmers and the instruction does not tell to do so, a little alignment of the antenna coil is required to get the dial read close to another calibrated radio. Lots of overload from some local stations. But fun to hear it pull distant stations with the locals in the background. Some stations (may be Iran) are very clear indeed. Could pull in AIR Rajkot here in Abu Dhabi.
I did put out of my window a length of wire and connected it to the input of the IC and it made the reception even more strong. An earth connection to window frame made the bleed in stations a bit more quiet.
Maybe there is some way to make it more selective?
Last edited:
